星光真空设备-专业生产LG螺杆真空泵、钛材螺杆真空泵、哈氏合金螺杆真空泵、耐腐蚀真空泵、耐腐蚀真空设备等

当前页:首页 >> 产品中心 - 罗茨真空泵系列

罗茨真空泵 / ZJ、ZJC、ZJP、ZJPC、ZJQ、ZJA、ZJB

罗茨真空泵,利用一对8字型转子在泵壳中作等速反向转动而产生吸气和排气作用,每个转子用两个轴承支承,利用一对同步齿轮,使两个转子的相对位置始终保持不变,转子与转子,转子与泵体,转子与侧盖之间都有间隙,因工作腔内没有摩擦,无需润滑。泵转子的支承采用了可靠的消隙结构,转动部件作细致的动平衡,并采用高精度斜齿轮,因此,运行平稳,噪声低,使用更加可靠,可在高压差下长期运行。动密封部位采用了可靠设计,并采用进口油封,控制轴封处的跳动量≤0.02mm,因此轴封处不漏油。
罗茨真空泵,由于采用数控加工中心加工,泵体与侧盖,侧盖与端盖之间都采用“O”型圈密封,圆柱销定位,零件互换性能好,维修方便,泵采用一个进气口,三个排气口的结构设计,便于用户安装使用。罗茨泵不能单独使用,只有串联前级泵才能使用,可选择螺杆泵、油封泵、液环泵作为前级泵,值得一提的是,当选用螺杆泵、液环泵作为前级泵时,特别适合抽除大量可凝性气体的场合。

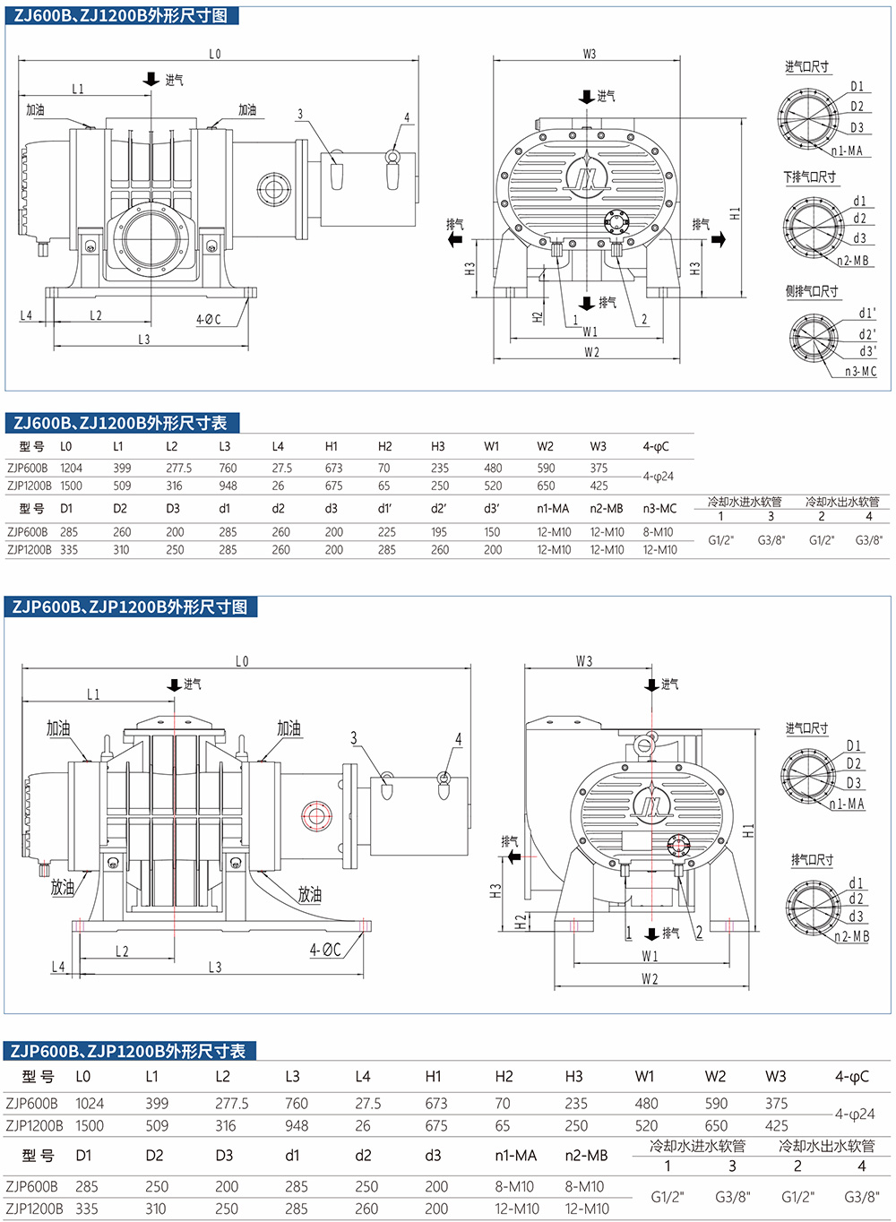
产品参数





















返 回
联系我们

订购我们产品,请致电:

0576-88653588,88652002

销售及服务

我们的真空泵产品远销国内外!公司全力以赴为客户提供最优的服务,在客户集中的区域设立售后服务办事处。我们郑重承诺:如产品自身缺陷或存在质量问题,省内及周边地区用户24小时内到达,省外用户48小时内到达。

浙公网安备 33100202000368号